


MWD2-6系列煤礦用機頭破碎機
使用說明書
產品執行標準: JB/T 5503—2004《立爪破碎裝載機》
GB/T 9139—2008《液壓破碎機技術條件》
Q/STZG 02—2015《煤礦用液壓破碎機》
山東省
山東韋辰重工有限公司
二〇二〇年一月
前 言
本設備是韋辰重工有限公司在吸收國內外同類產品優點的基礎上,并結合煤礦及其他礦井的特殊工況及要求自主研究、開發、制造的刮板運輸機機頭破碎設備。
該設備適用于煤礦、金屬礦、非金屬礦的豎井、斜井及平巷掘進中的破碎作業,另外該設備還可選裝挖斗,銑挖機,進行井下撬毛及其他巖石破碎作業。
韋辰重工有限公司會不斷對該設備進行改進,更新資料和技術規范后,恕不再另行通知。對于以前銷售的設備或零件,不承擔改進義務。
對于本設備在使用過程中的不足及需要改進之處,歡迎各使用單位及個人提出寶貴意見和建議。
安全警示
表示如果忽略這些說明,由于不正確的設備操作,可能會造成人員死亡或嚴重的設備損壞。
表示如果忽略這些說明,由于不正確的設備操作,可能會造成人身傷害或設備損壞。
表示如果忽略這些說明,由于不正確的設備操作,可能會造成輕微的人身傷害或設備損壞。
只有合格人員才能允許安裝和操作這一設備。在本手冊中,合格人員是根據已有的安全條例和標準被授權進行安裝、調試、使用和維護的人員。
目 錄
更優章 概述 5
第二章 結構特征及工作原理 7
第三章 煤礦用液壓破碎機操作說明 12
第四章 煤礦用液壓破碎機的安裝與調試 16
第五章 煤礦用液壓破碎機的維護潤滑與保養 18
第六章 常見故障、原因及處理措施 23
更優章MWD系列煤礦用液壓破碎機概述
MWD系列煤礦用液壓破碎機是韋辰重工有限公司在吸收國內外同類產品優點的基礎上,自主研究、開發、制造的井下破碎設備。
該機結構緊湊、外形尺寸小,同時由于采用電動液壓系統,因而具有節約能源、噪聲低、污染小、效率高等特點。
該機適用于煤礦、金屬礦、非金屬礦的豎井、平巷及坡度小于18°斜巷掘進中的的破碎作業。該機具有以下特點:
產品使用環境條件:
MWD系列煤礦用液壓破碎機結構

MWD系列煤礦用液壓破碎機由1電氣控制柜、2液壓油箱、3高壓油泵、4聯軸器、5三項異步電動機、6散熱器、7多路換向閥、大臂、9二臂、10破碎油缸、11連桿、12回轉減速機、13大臂油缸、14二臂油缸、15搖桿等。結構見圖1-1
MWD系列煤礦用液壓破碎機參數
表1 主要技術參數表
|
檢測項目 |
MWD2/0.12L |
|
|
基本參數 |
破碎錘型號,mm |
53釬桿 |
|
工作質量,t |
1.2±0.2 |
|
|
主電機額定功率,kw |
11 |
|
|
液壓系統 參數 |
額定工作壓力/允許更大壓力(工作裝置),MPa |
16/20 |
|
額定工作壓力/允許更大壓力(回轉),MPa |
14/16 |
|
|
作業范圍 參數 |
更大破碎半徑,mm |
≤2700 |
|
更大破碎深度,mm |
≤500 |
|
|
更大破碎高度,mm |
≤3100 |
|
|
外形尺寸(運輸狀態) |
長度,mm |
2550±50 |
|
寬度,mm |
700±50 |
|
|
高度,mm |
1700±50 |
|
第二章 結構特征及工作原理
MWD系列煤礦用液壓破碎機其突出的結構特點是:
1、外形尺寸小,結構緊湊,效率高。
2、底盤為焊接結構、整體性好,剛性和強度大。
3、采用電動液壓系統,具有噪聲低、無尾氣污染的特點,同時電氣系統用防爆元件,更適用于井下(尤其是煤礦)使用。
更優節 回轉機構
回轉機構主體為焊接的剛性結構,其底部通過回轉支撐螺栓與下支撐相連。回轉機構裝有渦輪蝸桿回轉減速機,其與回轉支撐組成回轉機構。

本機設置單獨的液壓工作站,有利于設備在井下狹小空間作業,液壓站獨立可以放置距離工作機構20米遠的距離。液壓站有1電氣控制柜、2液壓油箱、3高壓油泵、4聯軸器、5三項異步電動機、6散熱器等部分組成。

第三節 工作裝置
工作裝置是本機三大組成部分之一,它的主要功能是完成破碎、提升、卸載和收斗等動作。

其主要由7多路換向閥、大臂、9二臂、10破碎油缸、11連桿、12回轉減速機、13大臂油缸、14二臂油缸、15搖桿等。其結構見圖2-3
第四節 液壓系統
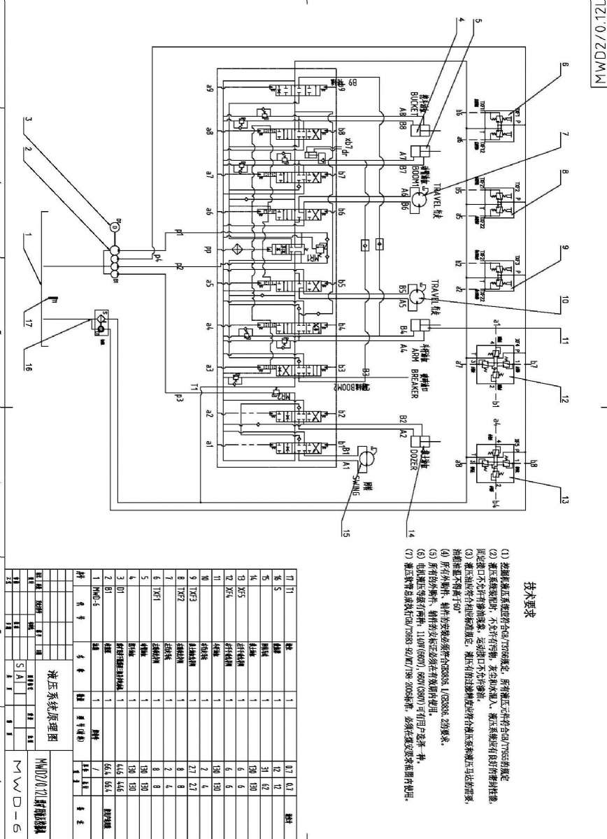
液壓系統由主油泵、回轉馬達、液壓油缸、主閥、散熱器、油箱及各種附件組成。
由主泵和主閥分別組成兩組共5種液壓回路,分別為鏟斗油缸、大臂油缸、回轉馬達、斗桿油缸、液壓錘。
以上5種回路均為液控回路。鏟斗油缸和大臂油缸、斗桿油缸和回轉馬達及破碎都有單獨的操作手柄操作完。
回轉馬達也采用停車制動工作機制,
本系統可在主泵測壓接口處測量各回路壓力。本系統推薦使用的液壓油,為L-HV46抗磨液壓油,在工作環境溫度低于-15℃時使用L-HS46低凝抗磨液壓油。MWD2/0.12L液壓系統原理圖如圖2-5所示。
MWD2/0.12L液壓系統原理圖如圖2-4

MWD2/0.12L液壓系統原理圖如圖2-5
第五節 動力系統
破碎機用11千瓦的防爆電機通過連接盤及聯軸器帶動主泵和輔泵,把電能轉化為液壓能,給全車的液壓系統供壓力油,使油缸和馬達工作。
電機油泵組件如圖2-6所示。
圖2-6

1-電機2-連接盤3-聯軸器 4-主泵
第六節 電氣系統
MWD系列煤礦用液壓破碎機所配用的起動器為QBZ系列礦用隔爆型真空電磁起動器(以下簡稱起動器),適用于含有爆炸性氣體(甲烷)的煤礦井下,作為控制主油泵電機之用。同時對電動機及其有關電路進行保護。
一、起動器為礦用隔爆型,其在電路中的工作原理如下:
1.接通換向開關Q,控制變壓器T輸出36V交流電,保護器觸頭3、4閉合,為控制電路供電做好準備。
2.按下礦用隔爆型控制按鈕的起動按鈕S4,此時若起動器在無故障狀態,則中間繼電器K3吸合,控制電壓經全波整流后使真空接觸器K1吸合,并利用K1常開觸點實現自鎖,主油泵電機啟動,同時斷開漏電檢測回路。
3.按下礦用隔爆型控制按鈕的停止按鈕S5,起動按鈕S4斷開,中間繼電器失電,常開觸頭斷開,真空接觸器線圈失電使主觸頭脫開分斷主線路,主油泵電機停止。
4.在啟動或運行過程中,當線路發生短路、過載、斷相等故障時,保護器觸頭動作,使吸合線圈釋放而起保護作用。
5.每次啟動前,保護器的漏電檢測33#端通過常閉觸點對負載進行漏電檢測,當主回路對地絕緣電阻低于規定值時,保護器實行漏電閉鎖,起動器無法啟動。
電器原理圖見圖2-7。
二、安裝、使用注意事項
1在安裝前應檢查其技術數據是否與工作電壓,所控電機容量相符,其零部件應完好無損;
2電纜的引入及引出應用接線裝置中的橡膠密封圈、金屬堵環、壓緊螺母或壓緊法蘭將電纜壓緊以達到隔爆要求,同時應緊固電纜防松脫裝置;
3不使用的接線口應用橡膠密封圈、金屬堵環、金屬堵板嚴密封堵;
4.各隔爆面在使用、檢修過程中應保持其原有粗糙度,不得磕、劃傷、腐蝕。
5搬運過程中,應避免強烈震動,嚴禁翻滾。在維護維修中,嚴禁帶電開蓋!嚴禁碰傷、劃傷隔爆面!
第三章MWD系列煤礦用液壓破碎機操作說明
更優節 安全預防措施
一、基本預防措施
二、啟動前的安全措施
三、操作中的安全措施
四、安全警示標志
1、維修時,必須先切斷電源,才能進行維修工作,否則將造成人身傷害。
2、回轉區域內不得有人或其它障礙物,否則可能引起嚴重的人員傷害或者機器損害;
5、操作時,小心破碎錘碰到回轉減速機或工作大臂油缸,否則可能引起嚴重的人員傷害或者機器損害;
6、禁止借用機器的旋轉力進行作業(如借用破碎錘側向清理幫壁),否則可能引起嚴重的人員傷害或者機器損害;
7、禁止在斜面或斜坡上進行操作作業(如有必要,則必須建立一個水平區域進行操作),否則可能引起嚴重的人員傷害或者機器損害;
1、意外碰到操縱手柄或踏板,機器會意外移動,可能造成嚴重傷亡事故,停車厚確認各動作閥桿處于中間位置;
2、更換損壞的零件時,
a、電氣、電纜等安標件不能隨意更換,需更換有安標證書的產品。
b、液壓膠管也不能隨意更換,需更換有安標證書的產品。
3、液壓系統漏油時不得作業,并及時將泄漏油清除、掩埋后再作業。
1、維修起動器及綜合保護裝置時,保護好隔爆面,不得有影響防爆性能的劃痕、碰傷,如有銹蝕,應清洗干凈并涂204-1防銹油。
2、電動機工作時,突然停機,而工作照明燈正常照明,說明電機過載,自動停機,熱繼電器起到了保護作用,必須停機5分鐘后才可啟動電機。若再次自動停機則應檢查其故障原因。
3、工作機構的左右旋轉角度不能大于180°,否則會絞壞膠管。
4、操作前電動機啟動時,先點動數次,觀察電動機的旋轉方向是否按箭頭指示方向(或面向電動機后端蓋排風扇順時針旋轉),如旋向相反,倒轉后再次啟動前應檢查齒輪箱油位,不足時加油。
五、禁止操作
以下濫用與誤用機器的操作,必須予以避免。濫用與誤用機器操作,會對機器造成嚴重損壞,嚴重的會導致人員傷亡。
1、不要使用機器的牽引力來破碎,這樣會給機器結構、前端的工作裝置施加過度的壓力,造成嚴重的機器損傷;
2、不要借用機器的旋轉力進行作業,這樣會給機器結構、前端的工作裝置施加過度的壓力,會造成工作裝置及旋轉裝置的嚴重損壞,同時也會造成嚴重的人身傷亡;
3、不要用破碎錘對正在移動的矸石進行破碎作業,此類操作會損壞機器和部件,也會導致人員傷亡;
4、電機禁止反轉,否則會損壞油泵和齒輪箱;
5、除規定的功能外,不能濫用作其他用用途;
6、不得多次往復甩動破碎錘和臂油缸,此類操作會損壞油缸;
7、不要過度發揮機器的性能,絕對不要通過傾倒或提升機器來得到動力,這樣做會給機器和部件,帶來很大損傷,也可能導致人員傷亡;
各操作手柄布置如圖3-1,
圖3-1

1-左操縱桿 2-液壓錘閥桿 3-右操縱桿
第三節 下井前的準備
1.每班下井前須檢查油箱油位,不足時加油。
2.檢查各管路部分是否滲漏,發現問題及時處理。
3.操縱各手柄看各動作是否正常。
4.檢查破碎錘釬桿是否損壞,如有損壞更換。
5.檢查吊具及吊索是否可靠,檢查吊點情況。
6.檢查操縱手柄是否在“中位”位置,檢查機器工作裝置收攏位置正確否,注意機器外形尺寸是否是否符合下井尺寸,以免吊盤喇叭口碰壞機器。
第四節 下井及工作面放置
事先同提升司機、井口、吊盤和工作面信號工聯系好,講明機器下落各深度應注意的事項,以便很好配合,確保安全操作。
檢查吊具及吊索,如有損壞立即修復或更換。
機器通過吊盤喇叭口時,應停下檢查是否有凸出部分碰上吊盤。
下放機器到井底約300-500毫米時,停止下放。應將機器調整至合適位置后,再緩慢下放到井底。
第五節 啟動和行走
1.啟動前先接通電源。
2.電機啟動時,先點動數次,一是觀察電動機的旋轉方向是否按箭頭指示方向(或面向電動機后端蓋排風扇逆時針旋轉),二是給液壓系統充滿液壓油。注意:電動機如反向旋轉,倒轉后再次啟動前應檢查齒輪箱油位,油位不足時加油
3.啟動前先檢查各手柄,應均處于中間位置上。
1.破碎作業
I淺層破碎時,要使用大臂,把鏟斗設置的太深,會降低機器的效率;
II當大臂和小臂間形成90-100°夾角時,挖斗能夠得到更大的破碎力。
III總是要把釬桿方向朝著準備破碎的方向,并在較淺的深度進行破碎,這樣可以減少破碎阻力和斗齒的損壞;
IV平滑地操作小臂,小心地移動控制桿,不要突然移動或停止小臂運動,這樣會對機器和它的部件造成不必要的壓力;
3.停車
I將上車轉至向前位置,將破碎錘降到地面上;
II將各手柄置于中間位置;
III關閉電機,切斷電源;
第四章MWD系列煤礦用液壓破碎機的安裝與調試
安裝要求
各連接處螺紋緊固力矩:
回轉支撐與下支撐: 367.76 Nm
回轉減速機與上回轉臺: 367.76 Nm
其他:M5 6.36 Nm; M6 10.81 Nm;
M8 26.25 Nm; M10 51.99 Nm;
M12 90.68 Nm; M14 144.23 Nm;
M16 255.18 Nm。
4、 各軟管接頭處緊固力矩:
9/16" 接頭螺紋 20Nm
7/8" 接頭螺紋 50Nm
1 1/16" 接頭螺紋 70Nm
1 5/8" 接頭螺紋 90Nm
各接頭安裝前必須清洗干凈,檢查密封圈是否損壞或更換新密封圈。
調整工作的要求
所有調整工作應在油溫達到20-50℃時進行,更佳油溫為40-50℃。
在調整工作壓力時,必須要加負載,否則數據不準易發生事故。
按一般常規調試某一個液壓閥,應按下列程序:
在調試的壓力管路上,安裝一個0-60Mpa的壓力表;
松開調試閥上的固定螺母和調整螺栓;
將調整螺栓松開幾圈;
在液壓系統中或管路中建立一個液壓負載(阻力),例如:將液壓缸達到行程終點,或將液壓馬達管路上用一個適當的螺塞堵上受壓力的軟管;
緩慢擰緊閥上的調整螺栓,觀察壓力表數值,逐漸升高,達到規定要求數值;
擰緊閥上的緊固螺母。
這些閥的壓力調整彼此是沒有關系的。
第五章MWD系列煤礦用液壓破碎機的維護潤滑與保養
正確的維護、潤滑和保養,可使機器長久和保持良好的工作狀態,延長機件的壽命,增強機器的可靠性,減少故障和機械事故,充分發揮機器的性能,提高工作效率。因此正確的做好設備的維護保養和潤滑工作,具有非常重要的意義,保養工作主要包括下列內容:
按規定周期加注或更換潤滑油。
按規定周期檢查油位和油面。
檢查或更換損壞的零件。
調整各運動部位和液壓系統的工作性能和要求。
清洗各部及清除污物。
保養工作應按下述規定進行:
一、每個電路通暢(由司機在工作開機前檢查);
二、每班接班前應檢查機器各部有無故障或損壞(由司機檢查);
三、按下列規定時間內容進行保養:
每8小時
每50小時
每100小時
每200小時
每300小時
每500小時
每1000小時
每2000小時
四、每8小時(每天)保養內容:
1.檢查液壓油油位,不足時添加液壓油;
2.每次啟動電機前以及點動檢查油箱油位,不足時加油;
3.工作裝置銷軸加注潤滑脂;
4.檢查機器外觀,停機不動,應無變形、無碰撞、管路無斷裂;
5.檢查螺栓、螺母是否脫落,按需要進行更換。檢查它們的松緊。同樣檢查所有的軟管接頭;
6.檢查所有油缸、管和軟管是否漏油或損壞,如有損壞,進行更換;
五、每50小時保養內容
潤滑各銷軸
1.機器每工作50小時或每周,需要進行潤滑;
2.將機器停放在水平硬路面上,將破碎錘向下水平放置在路面上,檢查與清潔各黃油嘴;
3.用黃油槍潤滑各銷軸;
4.擦掉銷軸連接處溢出的潤滑脂。
a.檢查油缸狀態,有無變形和碰撞;
b.檢查變速箱油面,不足時加油。
六、機器保養內容每100小時
(一)總體檢查
1.機罩是否完好,油缸耳座有無斷裂;
2.擰緊各螺栓,擰緊各液壓接頭;
(二)檢查液壓系統
七、機器保養內容每200小時
1.檢查各連接處銷軸磨損情況;
2.潤滑工作裝置和推土鏟銷軸
a.機器每工作200小時或每2個月,需要進行潤滑;
b.將機器停放在水平硬路面上,將破碎錘向下水平放置在路面上,檢查與清潔黃油嘴;
c.用黃油槍潤滑工作裝置銷軸;
d.擦掉銷軸連接處溢出的潤滑脂。
3.潤滑回轉支撐,在三個方向上,每隔90°打一次黃油,直至黃油稍微溢出。注意回轉支撐上有三個黃油嘴。(1個月打一次)
4..更換回油濾芯;
七、機器保養內容每500小時
1.按規定力矩緊固電機固定螺栓;
2.檢查回轉裝置齒輪潤滑情況,必要時注入潤滑脂;
3.檢查釬桿,如磨損超限,應予以更換;
4.檢查連桿機構,不得有裂紋,否則予以更換或補焊;
5.更換液壓油,清洗油箱;
八、機器保養內容每1000小時
九、機器2000小時保養檢查
按部件進行大修保養
檢查各銷軸,如磨損嚴重,應予以更換。
第三節 機器的潤滑
一、機器的潤滑用油
潤滑用油見表5-9,潤滑部位見圖5-1
圖5-1

表5-9
|
代號 |
潤滑部位或名稱 |
使用潤滑種類 |
|
M |
各黃油嘴(包括回轉支撐、各銷軸) |
二號二硫化鉬鋰基潤滑脂 |
|
F |
液壓油箱 |
L-HV46或L-HS46低凝抗磨液壓油 |
二、潤滑部位和周期
1.每次起動電機前與點動電機反向旋轉后必須檢查齒輪箱油面,不足時加油;
2.工作裝置部分每天加潤滑脂一次,其它部位每周加潤滑脂一次;
3.液壓油更優次在100工作小時后更換;第二次在工作500小時后;第三次每500工作小時后更換,但至少每年應更換一次。液壓油濾清器的濾芯應同時清洗更換。同時還要將油箱清洗干凈。
第四節 液壓油箱的維護保養
1.油箱中的使用的液壓油,為L-HV46抗磨液壓油,在工作環境溫度低于-15℃時使用L-HS46低凝抗磨液壓油。液壓油的存放,應該存放在油罐或油桶內,存放在適當的蔭蔽處,溫度基本上保持恒定。
2.加油和補充加油時,應通過回油濾油器進行過濾后加入,直液位計上限為止。
3.對液壓系統進行排氣和注入系統后,油位下降時,應再加到正常油位(液位計上限)。
4.所有維護操作都要在清潔的條件下進行,特別是更換濾芯和拆卸時要防止灰塵進入管路和系統。
|
維 護 內 容 |
保 養 要 求 |
|
1. 檢查油位是否正常。 2. 加油感到太沉時 3. 回油過濾器更換濾芯 4. 清洗油箱,更換新油 |
每班檢查油位,隨時加油 更換回油濾芯 更優次20小時,正常400小時 更優次100小時,以后每500小時進行一次 |
第六章 常見故障、原因及處理措施
常見故障、原因及處理措施見表8-1
表8-1
|
故 障 |
可 能 原 因 |
排 除 方 法 |
|
電動機啟動不了或運轉不正常 |
1、電源缺一相;或相序不正確; 2、電壓不足;
3、接觸器損壞或電氣線路有故障。 |
1、檢查電源保證三相正常;和相序正常; 2、測量電壓,把電壓調整正常; 3、修理、更換接觸器、排除線路故障。 |
|
無動作或動作緩慢無力 |
1、電動機反轉; 2、齒輪箱有故障,油泵不轉; 3、油泵損壞; 4、液壓系統壓力偏低; 5、吸入空氣。
6、油面太低; 7、回油濾芯堵塞; 8、油缸內有空氣;
9、液壓油不合格或粘度太高; 10、主溢流閥卡住; 11、油缸內泄嚴重。 |
1、電動機轉向糾正; 2、排除齒輪箱故障; 3、修理或更換油泵; 4、把系統壓力調整正確; 5、檢查吸油管路,更換密封件,排除滲漏; 6、加油至油標上限; 7、清洗或更換回油濾芯; 8、把油缸接頭處的軟管擰松,來回運動排氣; 9、按要求更換液壓油;
10、清洗或更換主溢流閥; 11、更換油缸密封。 |
|
行走、轉向無力,或不能直線行走 |
1、主溢流閥壓力偏低;
2、行走油馬達損壞;
3、左右履帶張緊度不一致。 |
1、清洗或調整主溢流閥至正常壓力,必要時更換調不上壓力的閥; 2、修理或更換行走油馬達; 3、調整履帶張緊度。 |
|
滲漏 |
1、接頭松動; 2、密封墊或密封圈失效; 3、焊縫滲漏。 |
1、擰緊接頭; 2、更換墊圈; 3、補焊。 |
山東韋辰重工有限公司
地 址:山東省鄆城縣鄆州街道申廠(韋辰事業園)
電 話:0530-6429159
傳 真:
郵 編:274700
出版日期:2020年1月