


煤礦用液壓挖掘機 MWD6/0.3L
使用說明書
產品執行標準:GB/T9139-2008《液壓挖掘機技術條件》 JB/T5503-2004《立爪挖掘裝載機》 Q/STZG02-2019《煤礦用液壓挖掘機》
山東省
山東韋辰重工有限公司
二〇二〇年一月
前言
本設備是韋辰重工有限公司在吸收國內外同類產品優點的基礎上,并結合煤礦及其他礦井的特殊工況及要求自主研究、開發、制造的井下裝巖及清底設備。
該設備適用于煤礦、金屬礦、非金屬礦的豎井、斜井及平巷掘進中的裝巖、清底以及凍土層的挖掘作業,另外該設備還可選裝液壓破碎錘,銑挖機,進行井下撬毛及其他巖石破碎作業。
韋辰重工機械有限公司會不斷對該設備進行改進,更新資料和技術規范后,恕不再另行通知。對于以前銷售的設備或零件,不承擔改進義務。
對于本設備在使用過程中的不足及需要改進之處,歡迎各使用單位及個人提出寶貴意見和建議。
本說明書最終解釋權歸山東韋辰重工有限公司所有
安全警示
表示如果忽略這些說明,由于不正確的設備操作,可能會造成人員死亡或嚴重的設備損壞。
表示如果忽略這些說明,由于不正確的設備操作,可能會造成人身傷害或設備損壞。
表示如果忽略這些說明,由于不正確的設備操作,可能會造成輕微的人身傷害或設備損壞。
只有合格人員才能允許安裝和操作這一設備。在本手冊中,合格人員是根據已有的安全條例和標準被授權進行安裝、調試、使用和維護的人員。
目錄
一、概述
1.1挖掘機的特點:
1.2挖掘機的使用環境條件:
1.3 主要技術參數
二、結構特征與工作原理
2.1 總體機構及工作原理、工作性能
2.2 行走機構
2.3 工作裝置
2.4 液壓系統
三、安裝、調試
3.1 安裝
3.2 調試
3.3 組裝的注意事項
四、使用、操作
4.1 作業前的檢查
4.2 操作界面14
4.3 具體操作過程說明
4.4 注意事項
五、故障分析與排除
六、保養、維修
七、運輸、貯存 21
7.1 出廠的吊裝運輸
八、聯系方式
MWD系列煤礦用液壓挖掘機是韋辰重工機械有限公司在吸收國內外同類產品優點的基礎上,自主研究、開發、制造的井下裝巖及清底設備。
該機結構緊湊、外形尺寸小,同時由于采用電動液壓系統,因而具有節約能源、噪聲低、污染小、效率高等特點。與豎井鉆機配套使用,可實現煤礦及其它礦山豎井掘進機械化作業,從而大大提高掘進速度。同時該機也可用于平巷及斜巷裝巖及挖掘作業。
該機適用于煤礦、金屬礦、非金屬礦的豎井、平巷及坡度小于18°斜巷掘進中的裝巖、清底以及凍土層的挖掘作業。
7、產品型號表示方法為:

設計修改序號:無或者用字母表示(A)、(B)
補充特征:行走方式 履帶式 L
主參數代號:工作質量 t /標準斗容量 m3
產品更優特征:電機驅動C
產品類型:煤礦用挖掘機
示例:工作質量為 6t, 標準斗容量 0.3m3,電機驅動、履帶行走,挖掘裝料的煤礦用液 壓挖掘機:MWD6/0.3L(A)
1.3.1工作范圍

|
項目 |
單位 |
型號 |
|
產品型號 |
/ |
MWD6/0.3L |
|
A:更大挖掘半徑 |
mm |
5000 |
|
B:更大挖掘深度 |
mm |
2450 |
|
C:更大仰臂高度 |
mm |
5250 |
|
D:更大卸載高度 |
mm |
2650 |
|
E:仰臂最小回轉半徑 |
mm |
1650 |
1.3.2 整機性能參數:
|
序號 |
規格 |
單位 |
參數 |
|
|
1 |
整機重量 |
t |
6 |
|
|
2 |
(長³寬³高) |
mm |
4500³1600³2250 |
|
|
3 |
泵電機 |
額定功率 |
kw |
45 |
|
額定轉速 |
r/min |
800-2400 |
||
|
4 |
液壓系統參數 |
額定壓力 |
MPa |
21.5 |
|
液壓主泵更大流量 |
L/min |
123 |
||
|
5 |
整機性能參數 |
爬坡能力 |
(±º) |
20 |
|
接地比壓 |
MPa |
≤0.1 |
||
|
行走速度 |
Km/h |
0-3.5±0.2 |
||
挖掘機主要由行走、旋轉、挖掘三大機構及液壓、發動機兩大系統組成。通過 各部分的協調配合,最終由液壓、發動機執行元件和機械傳動機構實現所規定的動作,完成各作業過程。
本機集液壓行走、旋轉、挖掘采集三種性能為一體。其液壓行走功能是通過 行走馬達、驅動鏈輪來完成,行走馬達具有前行、后退、自動剎車三種性能;旋 轉功能則由旋轉馬達完成,具有 360°旋轉功能;挖掘采集掘進功能由機械手完 成。機械手具有挖掘、伸臂、裝料、卸料性能。大臂可上升、下降,挖掘采集的 操縱為全液壓控制,由兩個操作手柄控制,每個操作手柄控制四個動作,共八個 動作。
整車液壓系統由一臺發動機為動力帶動泵,液壓油通過變量泵分別輸入多路換向閥內,通過操作手柄實現對各液壓裝置的控制。整車發動機系統采用隔爆型按鈕,實現對防爆柴油機的控制,確保人身和設備安全。
本機行走機構由底盤、液壓驅動馬達、鏈板等組成。

圖2-2
1-引導輪 2-支重輪 3-履帶漲緊裝置 4-履帶
5-托鏈架 6-底架 7-驅動輪 8-行走減速機
工作原理:運用防爆柴油發動機為整車提供動力,用先導手柄來操縱液壓馬達,馬達帶動雙邊鏈板,從而使整車行走,本機無需獨 立的剎車系統,在斜坡上停車時,只需將多路閥行走控制于中位,此時液壓系統 處于閉鎖狀態而無法倒退,當需長時間停車時需將挖斗放下,使推土鏟著地以實現駐車。
工作裝置是本機主要組成部分之一,它的主要功能是完成挖掘、提升、卸載 和收斗等動作。
其主要由 1 大臂油缸、2 大臂、3 輔助臂油缸、4 輔助臂(內含旋轉油缸)、5 小臂油缸、6 小臂、7 挖斗油缸、8 搖桿、9連桿、10 挖斗其結構見下圖:

本機液壓系統設備由柱塞泵、多路換向閥、液壓支架軟管、旋轉馬 達、行走馬達、液壓油缸、散熱器、進回油濾油器及液壓油箱組成。本機主要液 壓元件均采用國際知名品牌。
主泵:柱塞泵,負載敏感泵,抗污型強,能為系統提供與負載相匹配 的壓力和流量,液壓系統工作更穩定,效率更高。
多路控制閥:負載敏感系統,控制精度高,整體采用模塊化設計,維修方面。
液壓軟管:承載壓力高,耐老化。
旋轉馬達、行走馬達:運行工作可靠,性能穩定,噪音小。
挖掘機額定工作壓力為22若工作時負載過大,分配閥的安全閥自動打開,高壓油直接經回油管返回油箱,防止液壓元件、管路及構件損壞。
液壓系統原理圖

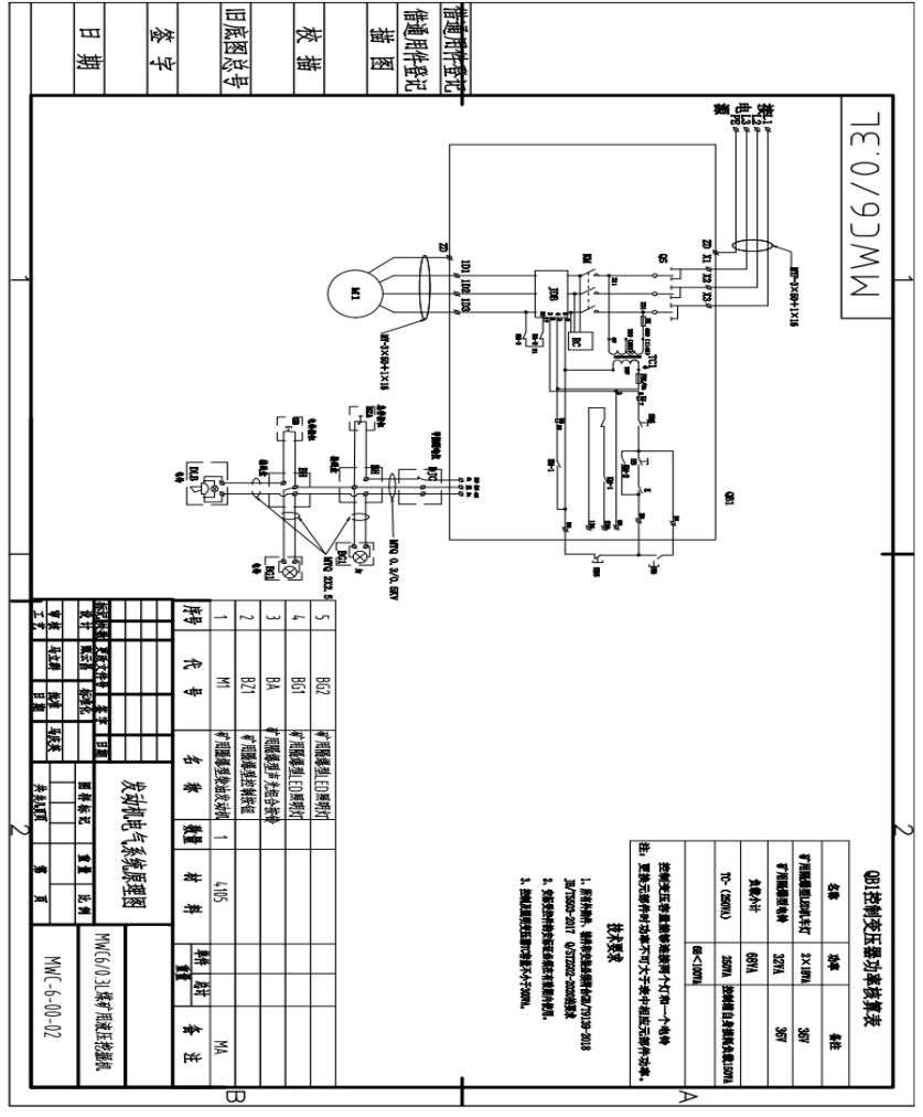
發動機電氣系統原理圖

挖掘機安裝必須由專業人員進行安裝,根據整機的結構特征及要求,按照底 盤—旋轉部分—挖掘部分—液壓系統—發動機系統的安裝順序進行安裝。
3.2.1 試運行前的準備工作:確認線路已接通;確認油箱已按規定加注液壓油;對連接部位的銷軸、油缸部位結合面相互摩擦的地方注入潤滑脂。
3.2.2 試運行:啟動后,首先確保發動機正常運轉,行走系統查看機器行駛是否正常,轉向系統是否靈活,再啟動挖掘部分,查看伸展臂是否正常,其轉動是否靈活。
3.3.1 組裝各連接螺栓時,應檢查防松墊圈是否齊全以及松緊程度是否符合要 求。
3.3.2 液壓系統的接頭部分必須擦拭干凈,不得有灰塵和雜質進入。同時檢查密 封圈是否齊全或損壞,所有管路應按原始位置理順固定好。
3.3.3 整機安裝完畢后應仔細檢查各部件管件、輔件等,是否安裝正確穩妥。
4.1.1 檢查發動機及其電源系統:電線、接頭應完好,無破損現象;連接線路應完好,無燒損、無松脫現象;柴油箱有適中油量。
4.1.2 檢查液壓系統: 液壓系統的元件及其聯接管路之間連接應緊固,無明顯滲漏現象;液壓油位
應符合規定(油量約占油箱總容積的 2/3 至 4/5 之間)。
4.1.3 檢查操縱系統:各操縱手柄應處于中立位置,操縱應靈活,無卡滯現象。
4.1.4 在行走過程中需要停止剎車時,將腳踏閥放在中位,即剎車。如果長時間 停止需要將挖斗放下使推土鏟著地以實現駐車。
4.2 操作界面

圖3-1
1-右操縱桿 2-液壓剪手柄(根據要求) 3-推土鏟手柄
4-輔助臂縱桿 5-左操縱桿 6-液壓錘踏板
7-行走腳踏閥 8-旋轉臂腳踏閥9啟動開關(圖中未標示)
10電鈴按鈕
4.3.1 行走時的操作,按下電機開關按鈕,電機開始工作,帶動液壓泵旋轉,液壓油由油箱經泵至多路換向閥開始工作,回油從回油管經液壓油散熱器、液壓 油濾清器流回油箱。向前或向后推拉操縱行走手柄,通過多路換向閥使液壓行 走馬達旋轉驅動鏈輪旋轉,從而實現整機前進或者后退,交錯操縱行走手柄改 變整機的行駛方向。
4.3.2 扒礦作業
主要操作方式:大臂起、大臂落、臂右轉、臂左轉、小臂起、小臂落, 挖斗、小臂、大臂配合使用將碴石運送到側卸式礦車上或其它運礦設備 上。
4.4.1 用戶應熟悉產品說明書,嚴格按照說明書進行作用操作、維護保養。
4.4.2 作業前一定要將推土鏟完全放下,再進行作業,否則將對輔助臂油缸造成 不可逆轉的嚴重損壞。
4.4.3 本車必須有專業人員操作,非操作人員不準亂開、亂動。非工作時間挖斗 應落地,嚴禁懸空停放。
4.4.4 作業前須經空載運轉和無負荷操作,若油溫高于 80℃時應排查原因。
4.4.5 操作者應熟記每一手柄的動作,要達到憑手感操縱,視線應集中在挖斗上。 扳動手柄時,動作要平穩,以免造成液壓沖擊,損壞元件及結構件。
4.4.6 在作業或調試時,在挖斗所及范圍內嚴禁站人,禁止接觸轉動部位。出現 故障或有異常雜音,應立即停車檢查,并切斷總電源。
4.4.7 嚴禁私自調整安全閥壓力,以免損壞液壓元件或影響性能,如私自調整工 作壓力屬違章操作行為,本公司不承擔任何責任。
4.4.8 操縱手柄卡滯時,不得硬行操作,應進行檢查排除卡滯現象。
4.4.9 液壓系統在不同的季節應使用相應型號的液壓油(46 號抗磨液壓油);液
壓油應定期更換,首次 300 小時進行更換。以后每 1000 小時更換一次。 液壓油回油濾芯應定期更換,首次 300 小時/500 小時必須更換。
4.4.10 特別注意:在挖掘機構升起,人在挖掘機構下進行維修作業時,必須在挖掘機構下有可靠的安全支撐,以防挖掘機構突然落下傷人。
4.4.11 井下使用時應配備便攜式甲烷報警儀。
|
故障現象 |
原因分析 |
排除方法 |
|
|
1)發動機故障。 |
1)檢查發動機。 |
|
|
2)油箱內油量不足。 |
2)加足工作油。 |
|
1、液壓系統不 工作 |
3)油箱出油口濾網堵死。 4)油泵內有故障或吸油管內 有空氣、膠管吸扁。 |
3)清洗濾網。 4)排除故障。 5)打開安全閥腰部螺扣將 |
|
|
5)分配器安全閥被臟物堵死。 |
臟物排除。 |
|
|
|
注:外端螺帽不得拆動。 |
|
|
1)液壓系統吸入空氣。 |
1)排除空氣。 |
|
|
2)液壓油溫過低粘度太大, |
|
|
2、油箱內產生 泡沫油呈乳狀 |
油泵吸油不足而吸入空氣。 3)油箱油量不足。 4)濾清器太臟。 |
2)適當提高油溫。 3)加注液壓油。 |
|
|
5)油液變質。 |
4)清洗濾清器。 |
|
|
|
5)更換新油。 |
|
3、油泵內發出 噪音 |
1)油箱內油量過少。 2)從吸油管吸入空氣。 3)從油泵密封圈進空氣。 |
1)檢查油位,添加液壓油至規定高度。 2)檢查吸油管路,擰緊油管螺母。 3)更換密封圈。 |
|
|
1)當天工作時間過長。 |
1)停止工作一段時間。 |
|
|
2)油箱工作油量不足。 |
2)添加油液。 |
|
4、工作油溫過 |
3)濾清器堵塞。 |
3)清洗。 |
|
高(超過 80℃) |
4)油泵磨損。 |
4)更換。 |
|
或升溫過快 |
5)分配器內漏嚴重。 |
5)更換或修復。 |
|
|
6)油缸內漏。 |
6)修復。 |
|
|
7)液壓油過稠、過稀。 |
7)更換。 |
|
|
8)溢流閥關閉不嚴。 9)散熱器的散熱片積塵太多。 |
8)更換或修復。 9)清洗 |
|
|
1)閥片間壓緊螺栓擰的太緊。 |
1)稍松螺栓,消除卡滯現象。 |
|
5、分配器閥桿 卡滯 |
2)閥桿與閥體間隙中有污物 擠塞。 3)回位彈簧的卡簧脫落損壞, |
2)拆檢清洗并檢查油是否過濾換油。 3)拆下后蓋,檢查并更換卡簧。 |
|
|
滑閥操作無力 |
|
|
6、閥片間滲漏 |
1)“O”型圈損壞。 2)螺栓松動。 |
1)更換。 2)擰緊。 |
|
7、油缸活塞桿 處漏油 |
缸蓋支撐套磨損或密封圈損 壞。 |
更換 |
|
8、油管接頭漏 油 |
1)接頭螺母松動。 2)螺母螺紋孔有碰傷或劃痕。 3)接頭與膠管壓接不合格。 |
1)擰緊。 2)修復。 3)更換。 |
|
|
1)油箱內液壓油不足。 |
1)添加液壓油。 |
|
|
2)油缸活塞密封圈損壞兩腔 |
2)更換密封圈。 |
|
|
連通。 |
3)排除空氣。 |
|
|
3)液壓系統有空氣。 |
4)清洗過濾網。 |
|
9、負載時,油 缸動作緩慢或 不動作 |
4)過濾器的過濾網吸附雜物 過多 5)換向閥內部串油或阻尼孔 堵塞。 |
5)拆檢修復或更換。 6)檢查散熱裝置是否正常 7)拆檢或更換油泵。 8)檢查壓力及安全閥密封處并重新調試。 |
|
|
6)工作油溫過高。 |
9)檢查修復。 |
|
|
7)油泵磨損,效率降低。 |
|
|
|
8)安全閥內漏或已開啟。 |
|
|
|
9)油管破裂。 |
|
保養前挖掘機應將挖斗落至地面,斷開電源,扳動各操作手柄、腳踏,使液 壓系統卸載并按下述規定進行:
一、每個電路通暢(由司機在工作開機前檢查);
二、每班接班前應檢查機器各部有無故障或損壞(由司機檢查);
三、按下列規定時間內容進行保養:
每8小時
每50小時
每100小時
每200小時
每300小時
每500小時
每1000小時
每2000小時
四、每8小時(每天)保養內容:
1.檢查液壓油油位,不足時添加液壓油;
2.每次啟動發動機前以及點動檢查齒輪箱油位,不足時加油;
3.工作裝置銷軸加注潤滑脂;
4.檢查機器外觀,停機不動,應無變形、無碰撞、管路無斷裂;
5.檢查螺栓、螺母是否脫落,按需要進行更換。檢查它們的松緊。同樣檢查所有的軟管接頭;
6.檢查所有油缸、管和軟管是否漏油或損壞,如有損壞,進行更換;
8.檢查行走系統是否存在泄漏或摩擦;
a.檢查支重輪、引導輪、拖鏈輪和行走馬達是否出現泄漏;
b.檢查支重輪、引導輪、拖鏈輪、驅動鏈輪是否出現異常磨損和螺栓是否松動;
c.慢慢移動機器,檢查是否有異常聲音。
9.每班清理行走底盤上的泥土,防止長時間積累,造成行走裝置不能正常工作。
五、每50小時保養內容
(一)調整履帶張緊力
1.檢查
a.轉動履帶,將履帶接頭轉至上面中間位置;
b.回轉上車架,與下車架成90°,操作工作裝置,將工作裝置放在地面上,緩慢的降下大臂,支撐起機器的一側;
c.在驅動輪與引導輪之間檢查履帶的漲緊度,合理的下撓度不大于15~20mm;
2.調整
a.調大張力
i.用黃油槍給漲緊油缸噴嘴打黃油,得到需要的張力;
ii.前后移動機器,平衡履帶左右的張力;
iii.再次檢查履帶的張力,并對兩邊的履帶進行重復調整。
b.放松張力
i.慢慢擰松油嘴,釋放黃油(旋轉油嘴不得超過一圈);
ii.前后移動機器,平衡履帶左右的張力;
iii.再次檢查履帶的張力,并對兩邊的履帶進行重復調整。
(二)潤滑各銷軸
1.機器每工作50小時或每周,需要進行潤滑;
2.將機器停放在水平硬路面上,將挖斗口向下水平放置在路面上,檢查與清潔各黃油嘴;
3.用黃油槍潤滑各銷軸;
4.擦掉銷軸連接處溢出的潤滑脂。
a.檢查油缸狀態,有無變形和碰撞;
b.檢查變速箱油面,不足時加油。
六、機器保養內容每100小時
(一)總體檢查
1.機罩是否完好,油缸耳座有無斷裂;
2.擰緊各螺栓,擰緊各液壓接頭;
3.清洗彈簧和履帶漲緊裝置。
(二)檢查液壓系統
七、機器保養內容每200小時
1.檢查各連接處銷軸磨損情況;
2.潤滑工作裝置和推土鏟銷軸
a.機器每工作200小時或每2個月,需要進行潤滑;
b.將機器停放在水平硬路面上,將挖斗口向下水平放置在路面上,檢查與清潔黃油嘴;
c.用黃油槍潤滑工作裝置和推土鏟銷軸;
d.擦掉銷軸連接處溢出的潤滑脂。
3.潤滑回轉支撐,在三個方向上,每隔90°打一次黃油,直至黃油稍微溢出。注意回轉支撐上有三個黃油嘴。(1個月打一次)
4.潤滑回轉裝置齒輪;
5.行走支重輪潤滑,用注油器按要求加注潤滑油;
6.導向輪潤滑,用潤滑泵按要求加注潤滑油。
7.更換回油濾芯;
七、機器保養內容每500小時
1.按規定力矩緊固電機固定螺栓;
2.檢查履帶板緊固螺栓,如有松動,按規定力矩擰緊;
3.檢查回轉裝置齒輪潤滑情況,必要時注入潤滑脂;
4.檢查輪齒磨損情況,如磨損過度或損壞,應予以修復或更換;
5.檢查鏟斗齒及側齒,如磨損超限,應予以更換;
6.檢查鏟斗、連桿機構,不得有裂紋,否則予以更換或補焊;
7.更換液壓油,清洗油箱;
八、機器保養內容每1000小時
九、機器2000小時保養檢查
按部件進行大修保養
檢查各銷軸,如磨損嚴重,應予以更換。
檢查支重輪、拖鏈輪、引導輪等的磨損情況,如有損壞,應予以更換或修復。
檢查履帶板的磨損情況,如磨損嚴重,應予以更換或修復。
挖掘機采用公路運輸,可將機器用起重機或行車直接吊到拖車上。履帶前后 要點枕木確保上下坡無滑動,方可出廠運輸。
挖掘機應存放在備有防雨、防曬設施的場所,存放六個月以上應重新進行防 銹處理。(本說明書只適用于本系列產品,具體應以實物為準)
山東韋辰重工有限公司
地 址:山東省菏澤市鄆城縣鄆州街道申廠
電 話:0530-6429159
郵編:274700
郵 箱:13561385755@qq.com